新闻中心
三极管(晶体管)的逆向电流容许功率带宽积
来源:长晶电子 时间:2022-04-19 19:20:00
  关于晶体管ON时的逆向电流
  在NPN晶体管中,基极 (B) 被偏置为正,集电极 (C) 被偏置为负,由发射极 (E) 流向C的是逆电流。
  1. 不用担心劣化和损坏,在使用上是没有问题的。
  2. NPN-Tr的B和C对称、和E极同样是N型。
  也就是说,逆接C、E也同样有晶体管的功效。即电流由E→C流动。
  hFE低(正向约10%以下)
  耐压低 (7 to 8V 与VEBO一样低)
  ↑通用TR的情况,除此之外,还有5V以下
  (突破此耐压范围,会发生hFE低下等特性的劣化,请注意。)
  VCE(sat)及VBE(ON)的特性没有太大的变化
  关于封装功率容许功率
  定义:是指由于输入晶体管的电压、电流产生的功耗在元件发热时,结温Tj为绝对最大额定值限定的温度(Tj=150°C)时的功率。
  这里,PC、Ta、△Tx、Px可以由各自测定时的设定值或测定结果直接得出,但是只有Tj不能直接得出。因此,如下列出使用VBE的测试方法。
  VBE测定法 硅晶体管的情况下 基极-发射极间电压:VBE根据温度变化。
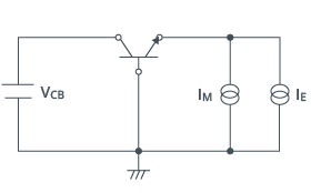
  图1. 热电阻测量电路
  由此,通过测定VBE,可以推测结温。
  通过图1的测定电路,对晶体管输入封装功率:PC(max)。
  (假设1W晶体管的情况下,输入条件为VCB=10V IE=100mA)
  如图2:
  测定VBE的初始值VBE1
  对晶体管输入功率,使PN结热饱和
  VBE的后续值:测定VBE2
  从这个结果得出△VBE=VBE2-VBE1。
  这里,硅晶体管根据温度具有一定的温度系数。约为ー2.2mV/ºC。
  (达林顿晶体管为ー4.4mV/ºC)
  因此,根据由输入功率得出△VBE,可以由以下算式得出上升的结温。
  fT:增益带宽积、截止频率
  fT:增益带宽积指晶体管能够动作的极限频率。
  所谓极限,即基极电流对集电极电流的比为1(即hFE=1)的情况。
图片5.png
  提高基极输入频率,hFE变低。
  这时,hFE为1时的频率叫做fT(增益带宽积)。
  fT指在该频率下能够工作的极限值。
  但是,实际使用时能够动作的只有fT值的1/5 to 1/10左右。
  测定条件如下
  f: 根据测定装置而定。为测定的标准频率。
  VCE:任意设定。我公司为一般值。
  IC:任意设定。我公司为一般值。